
Novel nanostructured ZrCu thin film metallic glasses with superior mechanical properties and thermal stability
In this project, we aim to synthetize novel ZrCu thin film metallic glasses (TFMGs) with controlled composition and nanostructure, investigating the relationship with the mechanical behavior and focusing on the nanometre scale deformation mechanisms. Moreover, we aim to study the mechanical properties of films with complex architectures such as multilayers and amorphous-nanocrystalline composites.
Metallic glasses (MGs) represent a peculiar class of alloys characterised by an amorphous atomic structure, which gives them superior mechanical strength up to 2 GPa and large elastic deformability ≥2%, combined with high wear and corrosion resistance. Despite of these very appealing properties, bulk metallic glasses (BMGs) suffer from lack of plasticity due to the activation of shear bands (SBs) phenomena during deformation. However, mechanical size effects have been reported when specimen dimensions are reduced to the sub-micrometre scale. Specifically, TFMGs have shown a mutual combination of large plastic deformation (above 10%) and superior yield strength (~3500 MPa), reaching the theoretical limit [1].
Nevertheless, many scientific interrogatives still need to be addressed. In particular, a foundamental understanding of the link between mechanical properties and atomic structure of MGs has not yet been achieved. A key unanswered question regards the role of composition in affecting metallic glasses atomic structure and how these influence films mechanical properties and thermal stability against crystallization.
In this context, we studied a large variety of binary Zr100-xCux TFMGs compositions (26 < x at.% < 76) deposited by magnetron sputtering and we investigated their mechanical and thermal behavior. Evolution of the amorphous structure with temperature was monitored through in-situ X-Ray diffraction (XRD) heating, showing that crystallization temperature depends on composition. Mechanical characterisation through nanoindentation shows that hardness and elastic modulus increase with content of Cu (at.%) from 5.5 up to 7.7 GPa and from 82 to 112 GPa respectively [2]. In addition, dependency of loading rate was studied, highlighting a different serrated plastic flow behavior in relation with film composition.
By collaborating with Laboratoire des Sciences des Procédés et des Matériaux (LSPM) of University Sorbonne Paris Nord (Profs. Philippe Djemia and Damien Faurie), we carried out surface Brillouin light scattering (BLS) and tensile tests on films deposited on flexible polymeric substrates. We confirmed that all elastic constants (and Young’s, shear and bulk moduli) increase at high Cu content (at. %), while crack density evolution show that Cu-rich samples have the largest resistance against crack nucleation [3].
In addition we will investigate the micromechanical behavior of freestanding Zr100-xCux TFMGs deformed by lab-on-chip tensile test technique developed by Prof. Thomas Pardoen’s group (Université catholique de Louvain, Belgium), while with synchrotron X-Ray diffraction measurements (at DESY, Hamburg), we aim to characterize the local atomic order of Zr100-xCux TFMGs as a function of composition. The combination of these results will allow to establish a link between atomic structure and TFMGs properties.
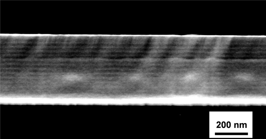
In parallel, we are also developing the synthesis of more complex film architectures such as fully amorphous multilayers, alternating different Zr100-xCux compositions and of composite films featured by presence of crystalline phases dispersed in an amorphous matrix.
Exploiting the presence of such interfaces within the material as an obstacle for SBs propagation, we aim to further improve the mechanical resistance and plastic deformability of TFMGs.
For this purpose, advanced mechanical characterization will be carried out on these nanostructured films with compression of micropillars prepared by focused ion beam (FIB) milling.
 
    SEM cross-section image of an amorphous Zr52Cu48 thin film metallic glass showing a columnar nanostructured morphology
 
    












