
Dendrite formation in solid-solid phase transformations
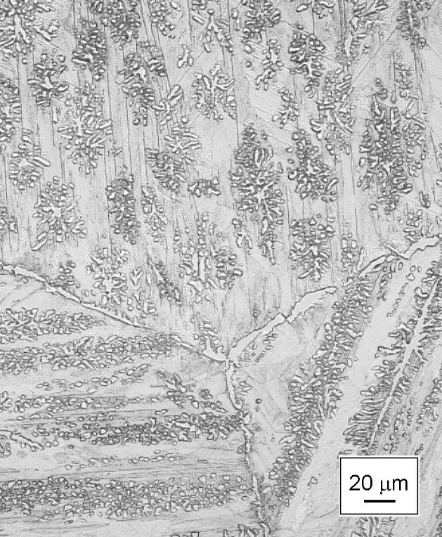
Iron-aluminium alloys in the composition range of 60 at.% Al show a very interesting and peculiar microstructure effect when rapidly cooled from high temperatures. In the temperature range between about 1100 and 1200 °C, such alloys are single-phase materials and consist of the cubic phase Fe5Al8. During ‘normal’ cooling (e.g. air- or furnace-cooling) to room temperature, they transform by a solid state, eutectoid reaction to a finely lamellar two-phase mixture of the phases FeAl and FeAl2, and the same lamellar microstructure is also observed in as-cast alloys. However, in samples that are very rapidly cooled from the high-temperature, single-phase field by water-quenching, one can obtain microstructures as shown in the light-optical picture. The formation of dendritic crystals is well-known from solidification reactions, where materials are cooled from the liquid or at least partially liquid state. However, in the present case dendrite-like precipitates have formed by a solid state decomposition of the high-temperature phase, which is an effect observed and described only very rarely in the literature. The project aims at getting a deeper understanding of this phenomenon by systematic variation of cooling rates and annealing times and temperatures for different alloy compositions.
